Principais Diretrizes da Norma
A norma detalha aspectos essenciais da acessibilidade em edificações e espaços urbanos, incluindo dimensões e inclinações corretas para rampas e escadas, largura mínima de portas e corredores, piso...
A norma detalha aspectos essenciais da acessibilidade em edificações e espaços urbanos, incluindo dimensões e inclinações corretas para rampas e escadas, largura mínima de portas e corredores, pisos táteis de alerta e direcionais para deficientes visuais, além de adaptações em sanitários e vagas de estacionamento.
Ela também regula a instalação de corrimãos, guarda-corpos, barras de apoio, altura de interruptores, tomadas e comandos, além de requisitos para sinalização visual, tátil e sonora, com o objetivo de garantir uso autônomo, seguro e confortável por todas as pessoas.
Ponto-Chave
A NBR 9050 fornece um guia completo para a elaboração de projetos acessíveis. Sua consulta e aplicação são obrigações técnicas de profissionais da construção civil e do design.
A NBR 9050 estabelece parâmetros rigorosos para garantir a acessibilidade, indo além das dimensões físicas e incluindo critérios para a adaptação sensorial e cognitiva dos ambientes. Por exemplo, a norma orienta sobre a necessidade de espaços de manobra com diâmetro mínimo de 1,50 metro para cadeiras de rodas em corredores e áreas de circulação. Além disso, especifica a altura ideal para dispositivos como interruptores, maçanetas e barras de apoio, assegurando que estejam ao alcance de diferentes usuários, incluindo pessoas com mobilidade reduzida e crianças. Essas diretrizes visam garantir que o ambiente seja funcional para a maior diversidade possível de usuários.
Outro ponto relevante é a consideração das condições ambientais que podem interferir na acessibilidade, como a iluminação natural e artificial, o controle de ruídos e a ventilação. A norma também inclui orientações para o uso de materiais antiderrapantes e resistentes ao desgaste em pisos, prevenindo acidentes. No contexto urbano, a NBR 9050 trata das calçadas, sinalização tátil direcional e indicativa, e mobiliário urbano, promovendo uma integração entre a edificação e seu entorno. A aplicação dessas diretrizes não só atende a legislação vigente, mas também contribui para a inclusão social e a melhoria da qualidade de vida da população.
Aplicação da NBR 9050 em Projetos
A implementação da norma deve ocorrer desde a fase de concepção do projeto. A acessibilidade deve ser integrada ao planejamento, considerando a rota acessível como um percurso contínuo, sinalizado e livre de obstáculos que conecta os ambientes internos e externos da edificação.
Leia também: Abnt Nbr 13532
Projetos de edificações de uso público, coletivo ou privado multifamiliar devem atender integralmente aos requisitos da norma. A aprovação junto às autoridades municipais exige a apresentação de desenhos que comprovem o cumprimento da acessibilidade. A correta aplicação da norma garante legalidade, qualidade e responsabilidade social ao projeto.
| Elemento | Principal Requisito da NBR 9050 | Custo Estimado de Adaptação |
|---|---|---|
| Rampa de Acesso | Inclinação máxima de 8,33% (1:12). | R$ 300 - R$ 600 por metro linear. |
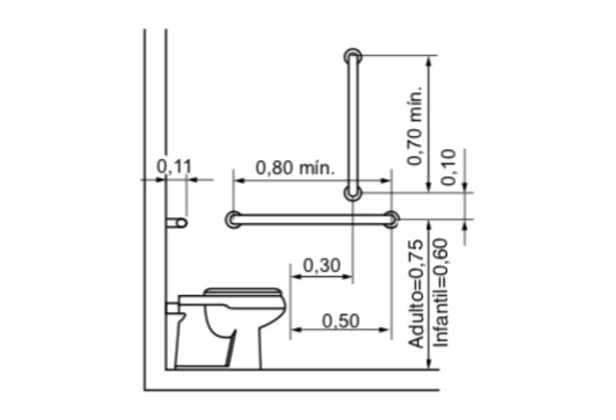
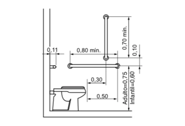
| Sanitário Acessível | Área de transferência para o vaso sanitário e barras de apoio. | R$ 3.000 - R$ 7.000 por unidade. |
| Piso Tátil | Instalação de piso de alerta e direcional em áreas de circulação. | R$ 80 - R$ 150 por m². |
| Vaga de Estacionamento | Sinalização e dimensões adequadas. | R$ 500 - R$ 1.200 por vaga. |

Sinalização e Comunicação
A sinalização é vital para a autonomia e segurança de pessoas com deficiência. A norma define critérios para sinalizações visual, tátil e sonora, incluindo o uso de contraste de cores e legibilidade para deficientes visuais, além de pisos táteis e informações em Braille para deficientes visuais.
Leia também: Abnt Nbr 15575
Sinalizações sonoras, como alarmes e avisos em elevadores, são essenciais para deficientes auditivos e visuais. O uso do Símbolo Internacional de Acesso (SIA) indica locais e serviços acessíveis, garantindo orientação adequada e uso seguro dos espaços.
A NBR 9050 enfatiza que a sinalização deve ser multifuncional, atendendo às necessidades visuais, auditivas e táteis dos usuários. Para isso, recomenda o uso de pictogramas padronizados, que são facilmente compreendidos independentemente do idioma, facilitando a orientação em espaços públicos e privados. A norma também destaca a importância da iluminação adequada para garantir a visibilidade dos sinais em diferentes condições ambientais, como ambientes internos escuros ou áreas externas com incidência solar intensa. Além disso, o uso de cores com alto contraste, como amarelo sobre preto ou branco sobre azul, é fundamental para assegurar a legibilidade para pessoas com baixa visão.
Complementando a sinalização visual, a norma prevê a instalação de elementos táteis, como placas em braile e superfícies de alerta para indicar mudanças de nível ou obstáculos. Esses recursos são essenciais para garantir autonomia a pessoas com deficiência visual. A comunicação sonora também é abordada, recomendando sistemas de aviso sonoro em elevadores, semáforos e ambientes de grande circulação, com sinais sonoros padronizados para facilitar a identificação das mensagens. A integração dessas modalidades garante uma comunicação eficiente e inclusiva, promovendo segurança e conforto para todos os usuários.
Fiscalização e Responsabilidades
A fiscalização do cumprimento da NBR 9050 cabe às prefeituras, por meio de órgãos de licenciamento e fiscalização de obras. Profissionais responsáveis pelos projetos, como arquitetos e engenheiros, têm a obrigação legal de assegurar o atendimento à norma, sob pena de cassação do registro profissional em caso de negligência.
Leia também: Abnt Nbr 6492
O proprietário do imóvel também é responsável por garantir a acessibilidade de sua edificação. A não conformidade pode resultar em multas e ações judiciais. Órgãos como o Ministério Público e conselhos de direitos da pessoa com deficiência atuam na fiscalização e denúncias de desrespeito à norma, reforçando o dever de todos de promover acessibilidade.






